Sick - amplificateurs à fibres optiques et fibres optiques, LISAT32900 - 7020035


Connectez-vous pour accéder au prix et commander
Spécificités essentielles
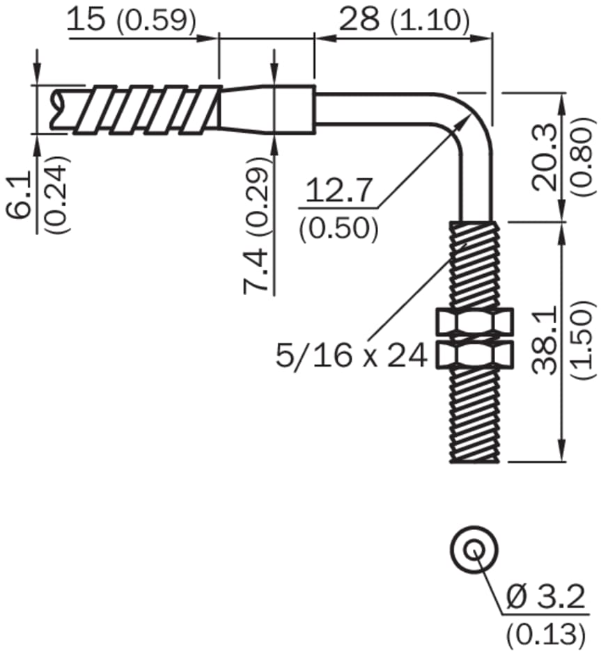
température ambiante - -58...315 °C
matériau du boîtier/corps - acier inoxydable (inox)
matériau du cœur de fibre optique - plastique
Emballage et conditions
1 unité(s)
Produit non retournable
Gamme
EAN
4047084112836
Réf. Sonepar
00067720035
Réf. Fournisseur
7020035
Marque
Sick
température ambiante:
-58...315 °C
matériau du boîtier/corps:
acier inoxydable (inox)
matériau du cœur de fibre optique:
plastique
amplificateurs à fibres optiques et fibres optiques, LBS/LIS, LISAT32900, Pour amplificateur à fibres optiques: WLL260, Principe de fonctionnement, détail: Comprenant un émetteur et un récepteur, Longueur de fibre optique: 900 mm