Sick - Barrières photoélectriques de sécurité, M20E-03240A120 - 1018177

SICK
CopieCopie

Connectez-vous pour accéder au prix et commander

Emballage et conditions

  • 1 unité(s)

  • Produit non retournable

EAN

4047084123238

Réf. Sonepar

00067118177

Réf. Fournisseur

1018177

Marque

Sick

Barrières photoélectriques de sécurité, M20E-03240A120

Les Atouts de l'article:

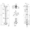
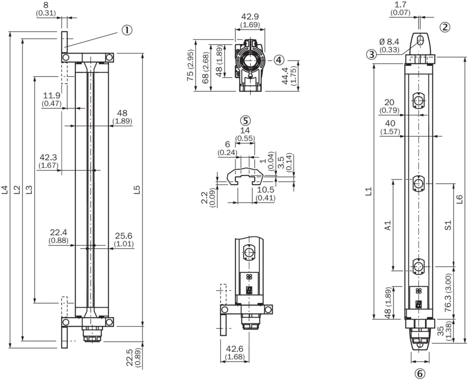
Barrières photoélectriques de sécurité, M2000 Standard, M20E-03240A120, Pièce du système: Récepteur, Portée: 70 m, Nombre de faisceaux: 3, Entraxe des faisceaux: 400 mm, Mode de raccordement: Connecteur mâle Hirschmann M26, 7 pôles