Sick - Barrières photoélectriques de sécurité, M20E-04130A120 - 1016510

SICK
CopieCopie

Connectez-vous pour accéder au prix et commander

Emballage et conditions

  • 1 unité(s)

  • Produit non retournable

EAN

4047084120213

Réf. Sonepar

00067116510

Réf. Fournisseur

1016510

Marque

Sick

Barrières photoélectriques de sécurité, M20E-04130A120

Les Atouts de l'article:

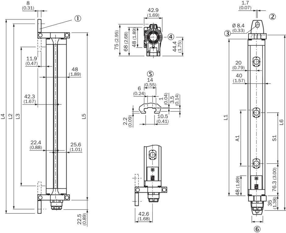
Barrières photoélectriques de sécurité, M2000 Standard, M20E-04130A120, Pièce du système: Récepteur, Portée: 25 m, Nombre de faisceaux: 4, Entraxe des faisceaux: 300 mm, Mode de raccordement: Connecteur mâle Hirschmann M26, 7 pôles