Nous restons à vos côtés pendant le pont du 11 novembre : Les livraisons seront assurées pour vos chantiers du mercredi 12 novembre 📦

Page d'accueil

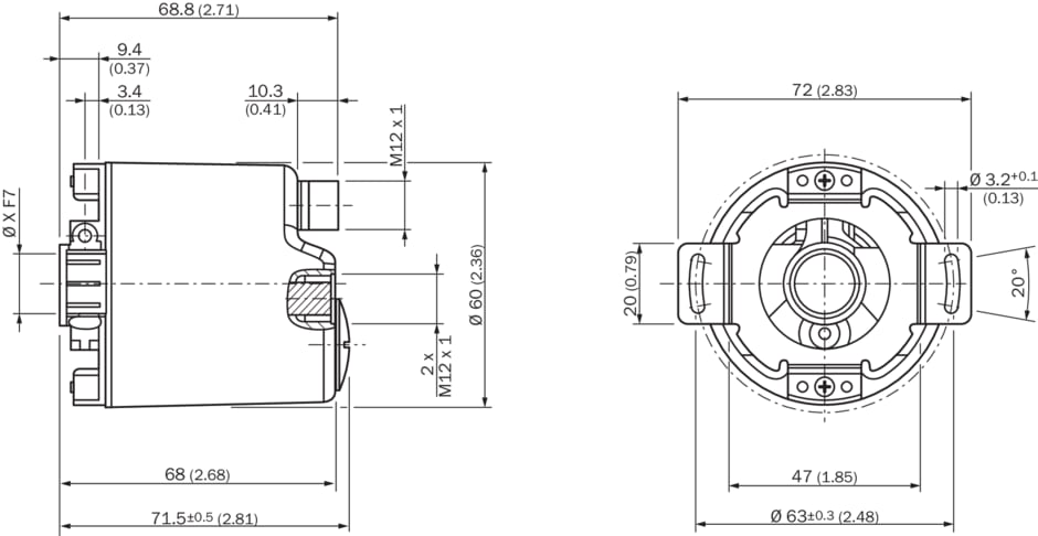
Sick - codeurs absolus, AFM60A-BCNB018x12 - 1059036

SICK
CopieCopie

Connectez-vous pour accéder au prix et commander

Spécificités essentielles

  • modèle - autre

  • finition de l'arbre de l'encodeur rotatif - arbre creux

  • finition du raccordement électrique - autre

  • standard pour interfaces - PROFIBUS

  • catégorie de protection contre les explosions pour le gaz - sans

Emballage et conditions

  • 1 unité(s)

  • Produit non retournable

EAN

4047084452765

Réf. Sonepar

00067059036

Réf. Fournisseur

1059036

Marque

Sick

modèle:

autre

finition de l'arbre de l'encodeur rotatif:

arbre creux

finition du raccordement électrique:

autre

standard pour interfaces:

PROFIBUS

catégorie de protection contre les explosions pour le gaz:

sans

catégorie de protection contre les explosions pour la poussière:

sans

nombre de révolutions:

4096...4096

nombre de pas par révolution:

262144...262144

diamètre de l'arbre:

93.5...93.5 mm

programmable:

Oui

finition du trajet de transmission:

cuivre

matériau du boîtier/corps:

aluminium

indice de protection (IP):

IP65

codeurs absolus, AFS/AFM60 Ethernet, AFM60A-BCNB018x12, Version monotour ou multitours: Multitours, Résolution max.: 18 bit x 12 bit (262.144 x 4.096), Interface mécanique: Axe creux non traversant 3/8?, Interface de communication: PROFINET