Concord - Lytespan Rail en section Ronde 2m Blanc 9000-2/W-ST15 - 2070269


Connectez-vous pour accéder au prix et commander
Spécificités essentielles
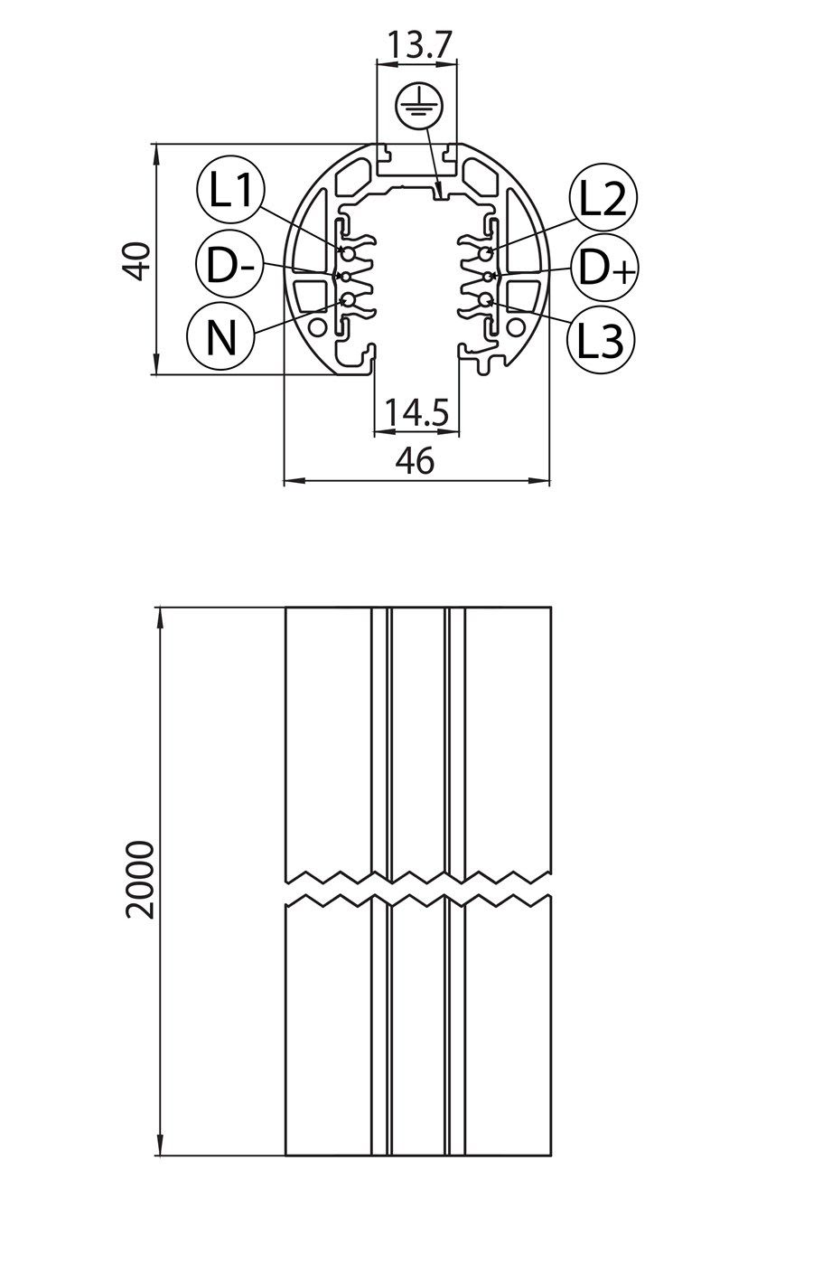
longueur - 2000 mm
tension nominale (Un) - 220...240 V
couleur - blanc
adapté à un montage encastré - Non
adapté à un montage en saillie - Non
Emballage et conditions
1 unité(s)
Produit non retournable
Gamme
ACCESSOIRES LUMINAIRES CONCORD-ACCESSOIRES SPOTS P
Voir tous les produits de cette gammeEAN
5025768702695
Réf. Sonepar
00023870269
Réf. Fournisseur
2070269
Marque
Concord
longueur:
2000 mm
tension nominale (Un):
220...240 V
couleur:
blanc
adapté à un montage encastré:
Non
adapté à un montage en saillie:
Non
adapté pour le montage suspendu:
Oui
classe de protection:
I
convient pour un usage domotique:
Non
forme:
rond
matériau:
aluminium
PLIABLE:
Non
largeur:
46 mm
hauteur:
40 mm
Les Atouts de l'article:
Lytespan gamme complète de rails au design exclusif, en section ronde, encastrée Trimless et en version H. Finitions noir et blanc. Grand choix d'accessoires, installation en suspension, en saillie et en encastré Trimless.
Multiples applications. Rail aluminium en 1m, 2m et 3m. Profils découpables. Système Triphasé «L1/L2/L3/Neutre/Terre 16A/440V» + 2 conducteurs de contrôle «D+/D- 2x1A/50V FELV AC » (DALI, DMX, 1-10V). Compatible avec accessoires OneTrack