Sick - codeurs absolus, AFS60B-BCAA032768 - 1051548

Connectez-vous pour accéder au prix et commander
Caractéristiques principales
modèle - encodeur absolu
finition de l'arbre de l'encodeur rotatif - arbre creux
finition du raccordement électrique - fiche
standard pour interfaces - SSI
principe de mesure physique - inductif
Conditionnement
1 unité(s)
Produit non retournable
EAN
Réf. Sonepar
00067051548
Réf. Fournisseur
1051548
Marque
Sick
modèle:
encodeur absolu
finition de l'arbre de l'encodeur rotatif:
arbre creux
finition du raccordement électrique:
fiche
standard pour interfaces:
SSI
principe de mesure physique:
inductif
catégorie de protection contre les explosions pour le gaz:
sans
catégorie de protection contre les explosions pour la poussière:
sans
nombre de révolutions:
1...1
nombre de pas par révolution:
32.768...32.768
diamètre de l'arbre:
9.525...9.525 mm
programmable:
Non
matériau du boîtier/corps:
aluminium
indice de protection (IP):
IP65
Les Atouts de l'article:
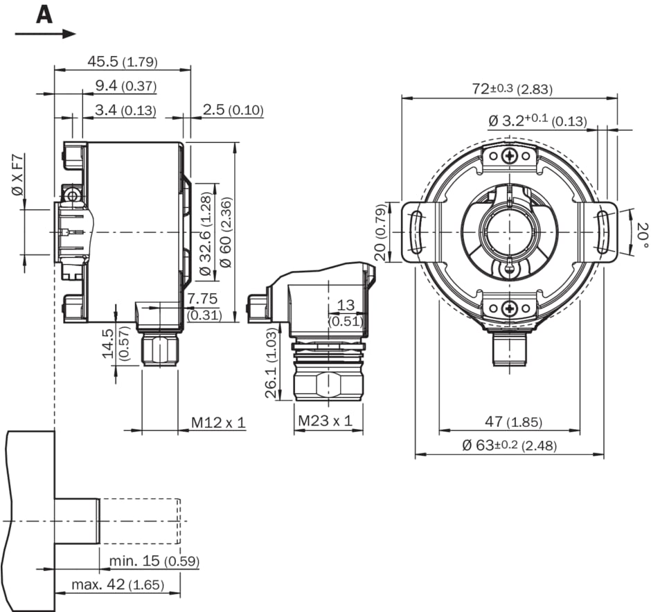
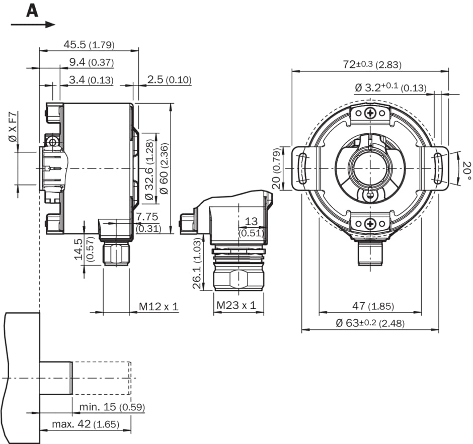
codeurs absolus, AFS/AFM60 SSI, AFS60B-BCAA032768, Version monotour ou multitours: Monotour, Nombre de pas par tour: 32.768 (15 bit), Interface mécanique: Axe creux non traversant 3/8" (Bornes à l’avant), Interface de communication: SSI, non programmable, Mode de raccordement: Connecteur mâle, M23, 12 pôles, radial
Quelques mots du fabricant :
De l'automatisation des usines à celle de la logistique, SICK fait bouger les industries avec ses solutions de capteurs.. Leader technologique et numéro un du marché, SICK propose des capteurs intelligents et des solutions pour les applications qui constituent une base idéale pour la gestion sûre et efficace des processus, la protection des personnes contre les accidents et la prévention des dommages environnementaux.



