Sick - détecteurs de proximité inductifs, IM30-15NPS-ZCK - 1017437

Connectez-vous pour accéder au prix et commander
Caractéristiques principales
distance de commutation - 15 mm
finition de la sortie de commutation - PNP
finition de la fonction de commutation - contact à fermeture
matériau du boîtier/corps - métal
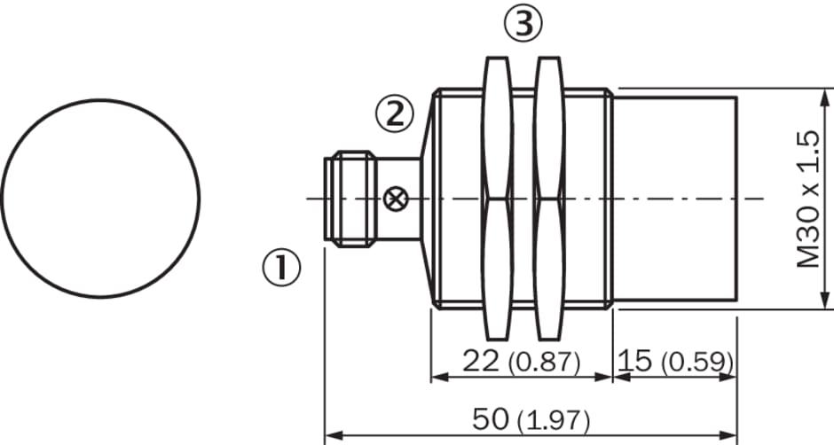
diamètre du capteur - 30 mm
Conditionnement
1 unité(s)
Produit non retournable
EAN
4047084285394
Réf. Sonepar
00067117437
Réf. Fournisseur
1017437
Marque
Sick
distance de commutation:
15 mm
finition de la sortie de commutation:
PNP
finition de la fonction de commutation:
contact à fermeture
matériau du boîtier/corps:
métal
diamètre du capteur:
30 mm
finition du raccordement électrique:
connecteur M12
type de tension:
DC
conditions de montage mécaniques du capteur:
non plan
longueur du capteur:
50 mm
adapté aux fonctions de sécurité:
Oui
nombre de sorties retardées avec fonction de signalisation:
1
type de construction du boîtier:
type de construction spécial
courant de sortie max. au niveau de la sortie protégée:
300 mA
tension d’alimentation:
10...10 V
tension d'alimentation de courant nominal à CA 50 Hz:
10...10 V
tension d'alimentation de courant nominal CC:
10...30 V
fréquence de commutation:
500 Hz
catégorie de protection contre les explosions pour le gaz:
sans
catégorie de protection contre les explosions pour la poussière:
sans
Les Atouts de l'article:
détecteurs de proximité inductifs, IM Standard, IM30-15NPS-ZCK, Forme du boîtier: Forme courte, Distance de commutation Sn: 15 mm, Montage dans métal: Non noyable, Version électrique: CC 3 fils, Sortie de commutation: PNP, Fonction de commutation: Contact NO, Mode de raccordement: Connecteur M12, 4 pôles
Quelques mots du fabricant :
De l'automatisation des usines à celle de la logistique, SICK fait bouger les industries avec ses solutions de capteurs.. Leader technologique et numéro un du marché, SICK propose des capteurs intelligents et des solutions pour les applications qui constituent une base idéale pour la gestion sûre et efficace des processus, la protection des personnes contre les accidents et la prévention des dommages environnementaux.



