Sick - détecteurs de proximité inductifs, IME30-20NDSZY2S - 1068267

Connectez-vous pour accéder au prix et commander
Caractéristiques principales
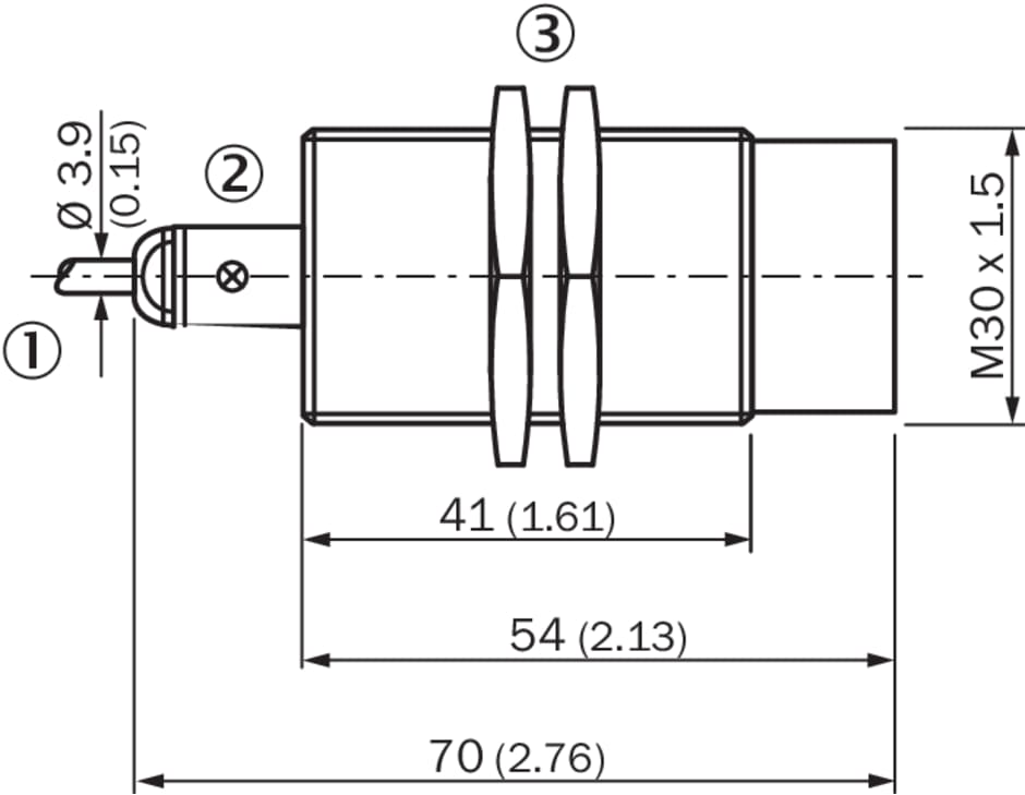
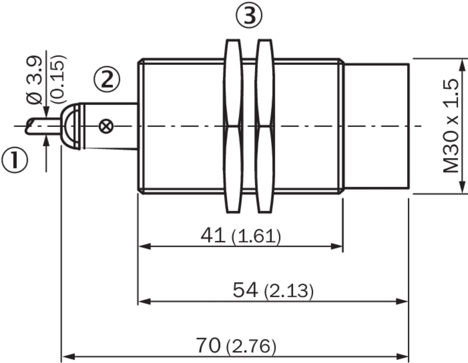
distance de commutation - 20 mm
finition de la sortie de commutation - autre
finition de la fonction de commutation - contact à fermeture
matériau du boîtier/corps - métal
diamètre du capteur - 30 mm
Conditionnement
1 unité(s)
Produit non retournable
EAN
4047084311048
Réf. Sonepar
00067431104
Réf. Fournisseur
1068267
Marque
Sick
distance de commutation:
20 mm
finition de la sortie de commutation:
autre
finition de la fonction de commutation:
contact à fermeture
matériau du boîtier/corps:
métal
diamètre du capteur:
30 mm
finition du raccordement électrique:
câble
type de tension:
DC
conditions de montage mécaniques du capteur:
non plan
longueur du capteur:
70 mm
adapté aux fonctions de sécurité:
Oui
nombre de sorties retardées protégées:
1
type d'interface:
autre
finition de l'interface pour communication orientée sur la sécurité:
autre
type de construction du boîtier:
type de construction spécial
courant de sortie max. au niveau de la sortie protégée:
100 mA
tension d’alimentation:
10...10 V
tension d'alimentation de courant nominal à CA 50 Hz:
10...10 V
tension d'alimentation de courant nominal CC:
10...30 V
fréquence de commutation:
500 Hz
catégorie de protection contre les explosions pour le gaz:
sans
catégorie de protection contre les explosions pour la poussière:
sans
Les Atouts de l'article:
détecteurs de proximité inductifs, IME, IME30-20NDSZY2S, Forme du boîtier: Type standard, Distance de commutation Sn: 20 mm, Montage dans métal: Non noyable, Version électrique: CC 2 fils, Fonction de commutation: Contact NO, Mode de raccordement: Câble, 2 fils, 2 m
Quelques mots du fabricant :
De l'automatisation des usines à celle de la logistique, SICK fait bouger les industries avec ses solutions de capteurs.. Leader technologique et numéro un du marché, SICK propose des capteurs intelligents et des solutions pour les applications qui constituent une base idéale pour la gestion sûre et efficace des processus, la protection des personnes contre les accidents et la prévention des dommages environnementaux.



