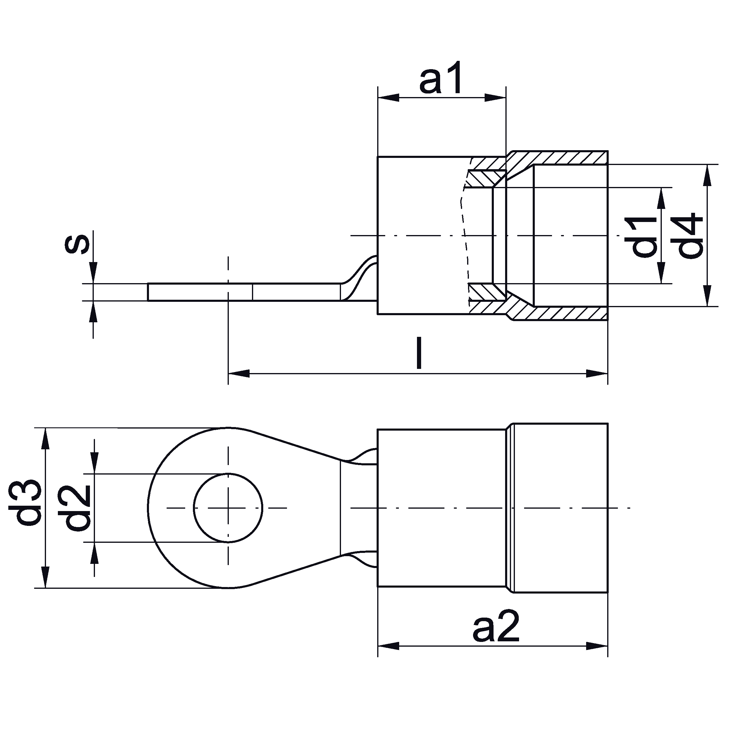
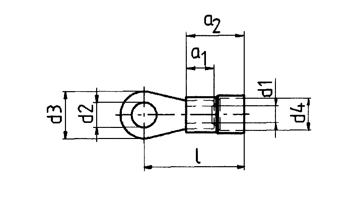
Klauke - Cosse pré-isolée jaune à plage ronde section 4 à 6mm² bornage M5 - B6505E

Connectez-vous pour accéder au prix et commander
Spécificités essentielles
matériau - aluminium
couleur - jaune
forme de la section transversale - rond
nombre de trous de fixation - 1
Emballage et conditions
100 unité(s)
Article en stock standard
Gamme
CONNEXIONS
EAN
4012077956650
Réf. Sonepar
00171795665
Réf. Fournisseur
B6505E
Marque
Klauke
matériau:
aluminium
couleur:
jaune
forme de la section transversale:
rond
nombre de trous de fixation:
1
Boite de 100 cosses pré-isolée jaune à plage ronde section 4 à 6mm² bornage M5. Corps en cuivre étamé. Manchon isolant en PVC auto extinguible UL94-V0 dotée du système "easy entry" qui permet une introduction aisée du fil.




